2nd Generation (GE 08-13) 2nd Generation specific talk and questions here.

Horrid noise on first shift from 1-2....sometimes....

Thread Tools
 
Search this Thread
 
Old Dec 4, 2025 | 09:19 PM
  #1  
MeanMan's Avatar
Thread Starter
|
Member
Joined: Nov 2025
Posts: 142
Horrid noise on first shift from 1-2....sometimes....

Grinding noise immediately following 2nd gear shift (from first to second)... I swear it sounds like I'm dragging something under the car. It doesn't do it often but I have heard it for about the third time now, each time I started the car, didn't let it run very long before taking off on my way, not aggressively or anything mind you. The car does gave 274k on it, and I am planning on dropping the transmission pan, and replacing the drained fluid with fresh every few months for 3 or so times this coming spring.Any idea's on what it could be?

If it's transmission related....
2 years ago my automatic transmission in my 03 Ford Ranger 4x4 had to be rebuilt
My moms car which I inherited a 2011 Toyota Camry LE has shifting issues when cold and barely has over 100k miles on it....
And now I mean if this fit starts having automatic transmission issues...after I owned a manual sports car most of my life (i'm 40 now) I... I'm about to just sell everything going forward and anything I drive from here on out will be a manual transmission.
 
Old Dec 4, 2025 | 10:42 PM
  #2  
Pyts's Avatar
Member
Joined: Mar 2016
Posts: 1,325
From: Metro Atlanta, Georgia
5 Year Member
That uh.. sounds concerning. I suppose somebody has to get all the bad automatics.
How's the fluid? And if you can, see if there's an RPM link, vehicle speed link (like: it happens between ___ and ___)
any other data you can accumulate. Really ought to isolate it before writing the transmission off. Does the shift feel normal? Is it hard compared to other gear transitions?
 
Old Dec 5, 2025 | 10:21 PM
  #3  
MeanMan's Avatar
Thread Starter
|
Member
Joined: Nov 2025
Posts: 142
My bad, I should have given more detail. It only happens if I start off in the car shortly after starting it, and only that first 1 to 2nd gear shift and doesn't seem to have any connection to anything so far that I can tell that causes it. I'll check the ATF this weekend and post up what I find.
 
Old Dec 6, 2025 | 12:11 PM
  #4  
zcargo's Avatar
Member
Joined: Feb 2010
Posts: 86
From: Nolensville, TN
5 Year Member
Originally Posted by MeanMan
The car does gave 274k on it, and I am planning on dropping the transmission pan, and replacing the drained fluid with fresh every few months for 3 or so times this coming spring.Any idea's on what it could be?
Probably no need to drop the pan. There is a drain plug on the transmission.

I've noticed this on my 2010 AT with 250k miles lately. Usually colder ambient temps, not fully warmed engine and spirited acceleration (traffic). I'm thinking multiple "drain and fills." Honda DW-1 ATF only. Or maybe these (they have been upgraded/superseded which seems suspect):


Mark


 
Old Dec 6, 2025 | 12:50 PM
  #5  
Pyts's Avatar
Member
Joined: Mar 2016
Posts: 1,325
From: Metro Atlanta, Georgia
5 Year Member
Might consider the transmission filter if going that route. 😮
It's sounding like there's little else to do.
 
Old Dec 6, 2025 | 01:18 PM
  #6  
MeanMan's Avatar
Thread Starter
|
Member
Joined: Nov 2025
Posts: 142
Originally Posted by Pyts
Might consider the transmission filter if going that route. 😮
It's sounding like there's little else to do.
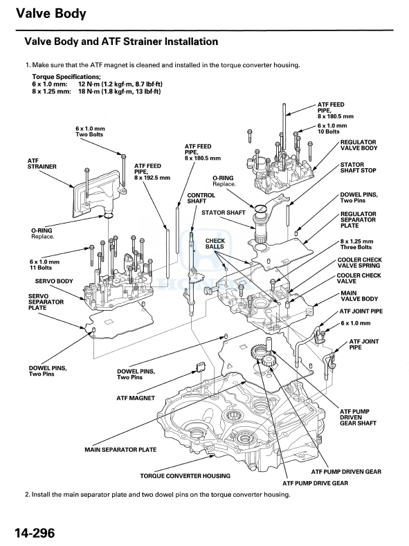
I noticed in the factory service manual there's an external filter and internal filter? I'm used to seeing internal ones, the external was unexpected... where might that be located?
 
Old Dec 6, 2025 | 04:22 PM
  #7  
zcargo's Avatar
Member
Joined: Feb 2010
Posts: 86
From: Nolensville, TN
5 Year Member
Originally Posted by MeanMan
I noticed in the factory service manual there's an external filter and internal filter? I'm used to seeing internal ones, the external was unexpected... where might that be located?
It's under the air box, on top of the transmission. It's just an inline filter similar looking to a fuel filter.
 
Old Dec 6, 2025 | 07:02 PM
  #8  
Drew21's Avatar
Member
Joined: Oct 2020
Posts: 880
From: MA
5 Year Member
Quick tip for the inline filter from someone who just changed it two weeks ago.
Remove the top clamp and hose before undoing the bracket that holds the filter in place, then undo the bracket and remove the bottom clamp and hose. I struggled for an embarrassing amount of time trying to get to the bottom clamp while the top hose was still in place, and trying to remove the top hose while the filter was flopping around. What I really needed was a third hand to hold the filter in place... which of course was the bracket that I had already removed.
Oh, another tip - don't lose the bolt that holds the bracket on...
 
Old Dec 7, 2025 | 11:14 AM
  #9  
MeanMan's Avatar
Thread Starter
|
Member
Joined: Nov 2025
Posts: 142
Originally Posted by Drew21
Quick tip for the inline filter from someone who just changed it two weeks ago.
Remove the top clamp and hose before undoing the bracket that holds the filter in place, then undo the bracket and remove the bottom clamp and hose. I struggled for an embarrassing amount of time trying to get to the bottom clamp while the top hose was still in place, and trying to remove the top hose while the filter was flopping around. What I really needed was a third hand to hold the filter in place... which of course was the bracket that I had already removed.
Oh, another tip - don't lose the bolt that holds the bracket on...
Thanks for the tip!

I figure I'll replace this filter first as it's the easiest to replace, and do that for now, and then here soon when I'm ready I'll drop the pan, change the internal filter and top it back up but the exterior filter sounds like something I can do quickly and now.
 
Old Dec 7, 2025 | 11:29 AM
  #10  
Drew21's Avatar
Member
Joined: Oct 2020
Posts: 880
From: MA
5 Year Member
Have you been underneath the car? There's not a "pan" like what you would see on an old A/T pickup truck or other rear-wheel drive vehicle, so I'm not really sure what you're going to drop. You can drain the fluid using the drain plug. You can remove the end plate of the A/T, but that's starting you along the process of disassembling the transmission itself, and I'm not 100% sure you can do it without pulling the transmission from the car.

Similarly, I'm not aware of an internal filter (accessible via the nonexistent pan) as you would see in an old rear-wheel drive A/T vehicle. Looking at the service manual, there is a strainer within the transmission, but again you're not getting to that without at least partially disassembling the transmission.

To summarize, there's an external filter and it's relatively easy to get to after removing the airbox. Changing that and the ATF is easy. Going further is going to be a more difficult process.

(Note: all of the above is relevant to the second-generation and I assume the similar first-generation; the third-generation is a completely different CVT.)
 
Old Dec 7, 2025 | 07:51 PM
  #11  
MeanMan's Avatar
Thread Starter
|
Member
Joined: Nov 2025
Posts: 142
Originally Posted by Drew21
Have you been underneath the car? There's not a "pan" like what you would see on an old A/T pickup truck or other rear-wheel drive vehicle, so I'm not really sure what you're going to drop. You can drain the fluid using the drain plug. You can remove the end plate of the A/T, but that's starting you along the process of disassembling the transmission itself, and I'm not 100% sure you can do it without pulling the transmission from the car.

Similarly, I'm not aware of an internal filter (accessible via the nonexistent pan) as you would see in an old rear-wheel drive A/T vehicle. Looking at the service manual, there is a strainer within the transmission, but again you're not getting to that without at least partially disassembling the transmission.

To summarize, there's an external filter and it's relatively easy to get to after removing the airbox. Changing that and the ATF is easy. Going further is going to be a more difficult process.

(Note: all of the above is relevant to the second-generation and I assume the similar first-generation; the third-generation is a completely different CVT.)
No I haven't not yet, since my Ranger is taking up my shop space. BTW it's not just RWD torque converter based automatic transmissions that typically have a pan that can be dropped, plenty of FWD auto vehicles do as well.So the assumption since it's a torque converter type (aka slush box) auto, was that it would as well. Anyway... Looking here at the internal filter, https://honda.oempartsonline.com/v-2...c-transmission That doesn't appear to be a screen on like a pickup tube but the typical filter seen in basically every automatic of this type. If there's no pan, then well... that's a giant PITA and a very annoying decision on Honda's part as I'd prefer to change both! But I'm not about to half way or completely pull the transmission and partially disassemble it to change it. the external (why is there a second one???, that's very unusual) and fresh via a drain and fill will just have to do.
 
Old Dec 7, 2025 | 08:12 PM
  #12  
Drew21's Avatar
Member
Joined: Oct 2020
Posts: 880
From: MA
5 Year Member
We might be talking about the same part. Note that in the line you provided under Other names it says "Filter, Strainer Assembly (ATF)."

In my 2010 Service Manual the only part in the A/T schematics that looks remotely similar is referred to as the "ATF Strainer." Regardless of what we call it, it doesn't seem to be an easy maintenance item.



 
Old Dec 8, 2025 | 10:29 AM
  #13  
zcargo's Avatar
Member
Joined: Feb 2010
Posts: 86
From: Nolensville, TN
5 Year Member
I haven't done this, but I may try it:
https://www.fitfreak.net/forums/2nd-...ill-flush.html

I've always done single and/or multiple drain/fills every 30k-40k.

Mark


 
Old Dec 8, 2025 | 10:43 AM
  #14  
Drew21's Avatar
Member
Joined: Oct 2020
Posts: 880
From: MA
5 Year Member
Originally Posted by zcargo
I haven't done this, but I may try it:
https://www.fitfreak.net/forums/2nd-...ill-flush.html

I've always done single and/or multiple drain/fills every 30k-40k.
I followed this method a few weeks ago and it's pretty easy (with an assistant).

Before starting, I labelled quarts and 1/2 quarts on a a couple milk jugs so that I could accurately measure the fluid I removed. I drained the A/T hot, left it dripping overnight, and recovered about 3 and 1/4 quarts after transferring from my pan into the milk jugs.

I added 3 quarts of fresh DW-1 to the A/T and began the "noob" procedure, using my second milk jug with approximately 1/4 quarts of the old fluid in the bottom to begin. It was pretty easy (with the assistant running the ignition in the car and me underneath) to stop the process at one quart intervals as the fluid doesn't pump out of the cooler very quickly. So, I drained another 3/4 quarts (to make 1), added a quart, drained a quart, added a quart, and drained a sixth quart (in total) and added a quart back to the system. After a drive to get everything warmed up it checked right in the middle of the hashes on the dipstick. I will check it a couple more times and might add a touch more to get it right to the top of the hash as I have a small amount of DW-1 left from the previous change I did several years ago.

I don't think this is markedly more difficult than doing several drains and flushes, and has the obvious cost and environmental benefit of using less total DW-1.
 
Old Dec 9, 2025 | 07:13 PM
  #15  
MeanMan's Avatar
Thread Starter
|
Member
Joined: Nov 2025
Posts: 142
Originally Posted by Drew21
We might be talking about the same part. Note that in the line you provided under Other names it says "Filter, Strainer Assembly (ATF)."

In my 2010 Service Manual the only part in the A/T schematics that looks remotely similar is referred to as the "ATF Strainer." Regardless of what we call it, it doesn't seem to be an easy maintenance item.

Ah! okay well that would make sense then to have the filter externally! weird the picture there and then the vendors picture aren't even close to the same (the vendors looked like the common internal filter)
 
Old Dec 11, 2025 | 09:05 PM
  #16  
MeanMan's Avatar
Thread Starter
|
Member
Joined: Nov 2025
Posts: 142
After getting home today, so a nice long 45min drive, I checked the ATF since you know these things still had a dipstick (I loath new cars)... Yeah.. that's a little low. Not sure if you can tell in the picture below, but right above where the dipstick transmission from round to flat, is where the fluid level is, this was again, hot.



I know everyone says DW1 ONLY! but it's not like anywhere local is going to have that instock, and this is my daily, that I have to drive one way 45min... then back sooo I ran to the parts store and grabbed a quart of Valveoline MaxLife, which is allegedly compatible, just doesn't have the friction modifier in it that Honda's does, which from what I read breifly just causes shifts to sometimes be a bit more firm and shift a bit sooner (down a gear) which, I'm not against a firm shift so long as it's not like some sort of 1960's "shift kit" shifting at full line pressure for every shift... that crap gets annoying.
 

Last edited by MeanMan; Dec 11, 2025 at 09:09 PM.
Old Dec 16, 2025 | 05:01 PM
  #17  
MeanMan's Avatar
Thread Starter
|
Member
Joined: Nov 2025
Posts: 142
Forgot to update, since topping up the trans with the MaxLife Valveoline ATF, it's only once quietly made that sound... and not since then. It took almost 3/4 quart.... No idea how long it was like that. The previous owner seemed to not track these things.
 
Related Topics
Thread
Thread Starter
Forum
Replies
Last Post
Maxathon13
2nd Generation (GE 08-13)
8
Mar 27, 2026 04:01 AM
benedictARNOLD
2nd Generation (GE 08-13)
3
Feb 20, 2014 03:13 PM
rockangelz
General Fit Talk
3
Nov 23, 2012 02:09 PM
girkabob
General Fit Talk
10
Jun 15, 2008 10:36 PM
thedeadpoet000
Fit DIY: Repair & Maintenance
10
Aug 27, 2007 08:54 PM




All times are GMT -4. The time now is 08:41 AM.