The Ultimate Parts Required to Update USDM GE Fit to JDM GE Fit Parts thread
Nope it`s more involved.. they don`t sell the separate parts like they did on the GD ... on the GE you have to buy the whole rear trailing arm assy.
....

....
I'll add this suggestion too. Can you post pics or links to pics next to each of your part numbers on the first page?

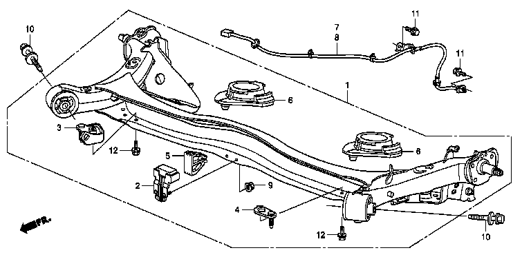
do you need all those little bits inside the #1 box too? I'd would've thought those types of parts would transfer over from the USDM assembly (if they are used o the USDM assembly. have a comparison pic?) Or are you showing that you can't get the big honking piece by itself so you hare forced into all the extra little bits?
So do all the parking brake cables and brake hose lines stay the same?
So do all the parking brake cables and brake hose lines stay the same?
Doh. It isn't Thailand, it's Australia. Take a look at the link.
Honda Jazz cars - choose a colour | 2009, 2008
Honda Jazz cars - choose a colour | 2009, 2008
Sidemarker question
How exactly do the sidemarkers work?
Are the sidemarkers suppose to be lit when the headlights are on and blink when turn signals are on also?
Sidemarkers & Heated Autofold Side Mirrors w/ Blinkers FTW!!!!
Are the sidemarkers suppose to be lit when the headlights are on and blink when turn signals are on also?
Sidemarkers & Heated Autofold Side Mirrors w/ Blinkers FTW!!!!
Sidemarkers are only supposed to work with blinkers, they should be opposite of the front blinkers. They aren't always on but you can hook them up that way. Personally I wouldn't do both mirrors with blinkers and sidemarkers. Would be too much.
Last edited by SRLNCLT; Dec 23, 2008 at 01:52 PM.
Doh. It isn't Thailand, it's Australia. Take a look at the link.
Honda Jazz cars - choose a colour | 2009, 2008
Honda Jazz cars - choose a colour | 2009, 2008
Last edited by Lek; Jan 4, 2009 at 04:17 AM.
Thanks!



